Urmekanisme 230A 1-3 min. Orbis OB080232
Mark: ORBIS
Henvisning: OB080232
Beskrivelse
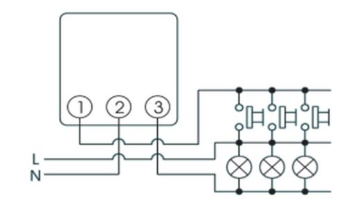
3-leder overflade installation. • Brudeffekt 20 A. • Tidsforsinkelse på 1 min. til 3 min.
Mark: ORBIS
Henvisning: OB080232
3-leder overflade installation. • Brudeffekt 20 A. • Tidsforsinkelse på 1 min. til 3 min.
Overflade installation.
Nulstillelig timing.
Tre-position manuel kontrol: automatisk, slukket eller permanent tændt.
1 min forsinkelse. til 3 min.
Ekstra neonlamper med trykknap, op til 50 mA.
Gælder for tretrådsinstallationer.
Tekniske egenskaber
Strømforsyning: 230 V AC, 50 Hz
Brudeffekt: 20 A 230 Vac.
Midlertidig. drift: -10 ºC til +50 ºC
Beskyttelsesgrad: IP 20 i henhold til EN 60529
Maksimal sektion: 6 mm².
Maksimal belastning
Glødelamper: 4000 W
Fluorescerende: 2000 VA
Halogener med lav spænding: 3000 VA
Halogener (230V AC): 4000 W
Lamper med lavt forbrug: 1000 VA
Led-lamper: 300 VA
Tenemos el temporizador Orbis y cuando llueve, deja de funcionar el automático. A que puede ser debido. Gracias.
Cuando dice el automatico , se refiere al magnetotermico o que deja de funcionar en modo automatico?
como se cambia el tiempo de minimo ha maximo
REGULACIÓN DEL TIEMPO DE ENCENDIDO Quitar la tapa de protección del péndulo (4) y desplazar el peso (3) hacia arriba si se desea menos tiempo, o hacia abajo si se desea más tiempo de encendido. El aparato sale de fábrica regulado a 3 minutos.
Tenéis disponible alguno a 120v?
Buenos días, no tenemos relojes que funcionen con esa tensión.
Atentamente, el equipo de Voltiks
Como se regula el tiempo de encendido agora tenemos en modelo de 110V pero en breve cambiaremos la instalacion a 220V tenemos 2 relojes pero 1 se rompio lo cambiamos por el otro pero solo dura 1 min queriamos ponerlo 3 min gracias de antemano
Hay que quitar la protección de plástico transparente y subir o bajar el peso dorado del péndulo.
Hay que quitar la protección de plástico transparente y subir o bajar el peso dorado del péndulo.
Al tener la instalación con un mecanismo como este y siempre me ha funcionado muy bien, pues repito que estoy contento, la marca ORBIS, es de las mejores, gracias.
Buen producto, envío rápido, cliente contento, volveré a comprar.
Todo muy bien
Tal como esperaba. Es para reponer uno colocado hace más de 15 años y que empezaba a fallar. Todo muy rápido.
Es de agradecer la precisión y la rapidez de entrega del pedido. También hacer mención al precio muy ajustado del producto. Aconsejables las compras en esta tienda.
Perfecto. Excelente relación calidad precio. Envío súper rápido
Buen precio y servicio.
Todo perfecto. Entrega rápida y justo lo que necesitaba.
Todo correcto fácil de instalar
Temporizador de toda la vida. Modelo antiguo pero superfiable.
Pues todo perfecto, llegó rápido y funcionando.
Todo perfecto.
Era exactamente lo que yo quería
Entrega rápida. Buena comunicación y producto correcto. Vendedor recomendable
Genial! Es muy fácil de instalar. Hace su función
Cumple plenamente con mis deseos sobre su funcionalidad. Le doy un notable.
Muy bien todo, la entrega rápida , el precio, un 10.!
Servicio rápido y articulo perfecto 1000%
Lo que más me ha gustado es la relación calidad precio, que este producto yo lo he adquirido en otros lugares por un precio superior.
Todo correcto, servicio, envío...y producto
Hvordan fungerer anmeldelser og vurderinger?
Meninger og vurderinger af produkterne er for det meste lavet af registrerede kunder, der har købt produktet. disse udtalelser vises med et "verificeret køb"-mærke. I alle andre tilfælde ikke dette mærke vises. Produktets vurdering, ud af 5 stjerner, beregnes som gennemsnittet af alle offentliggjorte vurderinger af produktet. For at sikre, at oplysningerne er nyttige for andre kunder, offentliggøres anmeldelser og vurderinger, både positive og negative, først efter forudgående godkendelse.